YFD54#串激电机
1. 技术要求 |
|
|
绝缘等级 |
B |
| 输出功率 | 35W |
| 单相交流 | 是 |
| 电压/频率 | 220V 50Hz |
| 输入功率 | 75.3(Max) W |
| 空载转速 | 32000(Min)RPM |
| 空载电流 | 0.34(Max) A |
| 负载功率 | 172.3±10% W |
| 负载转速 | 15800±500 (Load Fan) RPM |
| 负载电流 | 0.83±0.1A |
| 高压测试 | 1800Vac/1Sec/0.5mA Vac/Sec/mA |
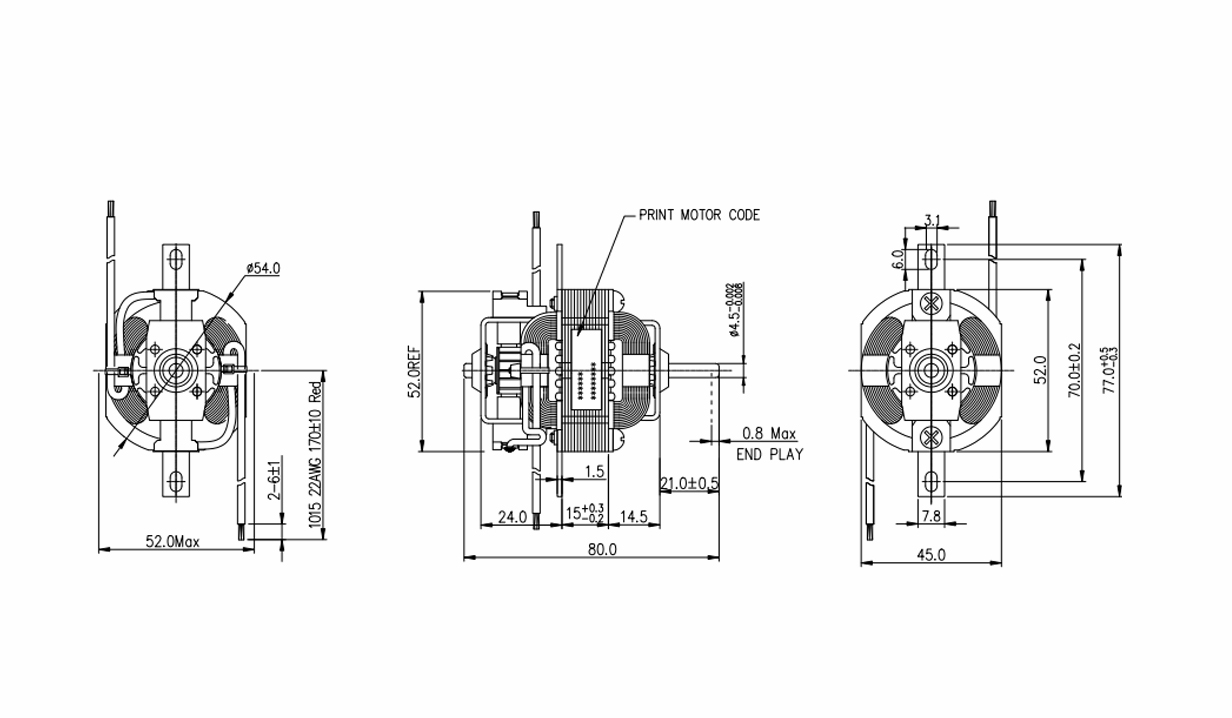
产品尺寸图
相关下载
HC5415M22A0规格书