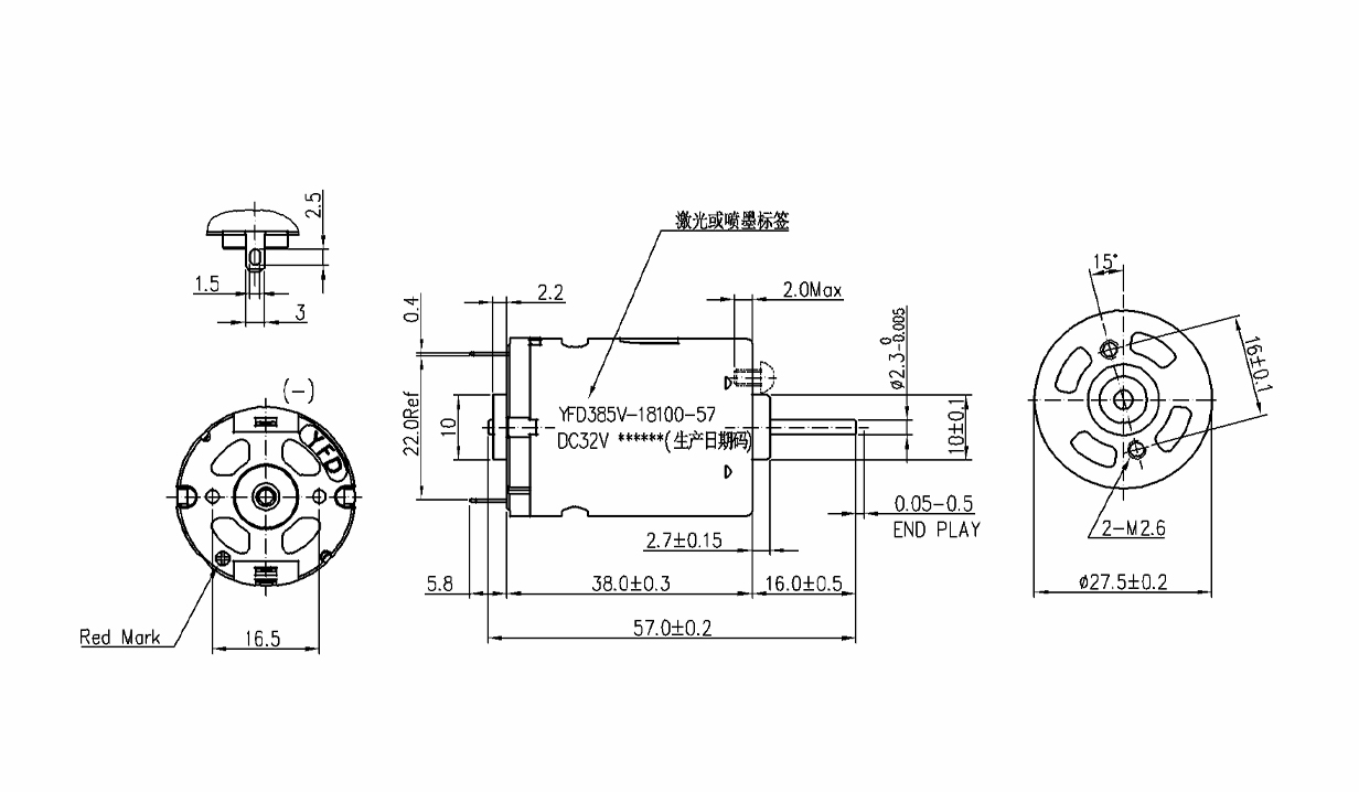
YFD385电机(胶后盖)
1. 标准测试条件 |
|
|
额定电压 |
32.0V DC 向马达正负极端子输入的电压 |
| 旋转方向 | CCW 从马达输出轴端视 |
2. 测试条件 |
|
| 马达放置状态 | 马达水平放置 |
| 测试电源 | 确保测试没问题的稳压电源 |
| 环境温度与湿度 | 一般在15℃-35℃及相对湿度75%的环境下测试 |
3. 电气特性(启动30秒后测试) |
|
| 空载电流 | 0.19A max |
| 空载转速 | 20320±8% rpm |
| 始动电压 | 2.0Vmax |
| 负载电流 | 1.1±12%A |
| 负载转速 | 16000±800 rpm |
| 测试负载 | 15x50 mm的一字风叶(大约为159.3g-cm.) |
| 性能曲线 | 看马达性能曲线图 |
| 绝缘电阻 | 马达端子与外壳之间,施加DC500V电压,绝缘阻值不低于10MΩ |
| 介电强度 | 马达端子与外壳之间施加一分钟AC500V/1mA(50Hz或60Hz)电压 |
| 振动值 | ≤4.9mm/s |
4. 机械特性 |
|
| 外形 | 看马达外形图 |
| 虚位 | 0.05~0.5 mm |
| 轴突端跳动 | 0.05mm max. 输出轴2/3处,用百分表测量 |
| 马达重量 | 65.9 g (Approx) |
5. 寿命测试 |
|
| 测试电压 | 32.0V (直流稳压电源) |
| 负载 Torque | 负载风叶大约为 145.0g.cm |
| 测试周期及条件 | 30 分钟开, 30 分钟 为一个周期 |
| 要求满足的测试周期 | 400 cycle |
6. 噪音测试 |
马达放在在海棉上,拾音器距离马达输出轴30cm处,在 无载条件下接入额定电压.机械噪音不超过70dB,最大背景噪音小于30dB |
7. 其它特性 |
|
| 绝缘等级 | B级 |
| ECP Requirement | Motor conform to 2011/65/EU RoHS Directive |
产品尺寸图
