YFD加长5512电机(可换碳刷)
1. 标准测试条件 |
|
|
额定电压 |
120.0 V |
| 旋转方向 | CCW 从马达输出轴端视 |
2. 测试条件 |
|
| 马达放置状态 | 马达水平放置 |
| 测试电源 | 确保测试没问题的稳压电源 |
| 环境温度与湿度 | 一般在15℃-35℃及相对湿度75%的环境下测试 |
3. 电气特性(启动30秒后测试) |
|
| 空载电流 | 0.28A max |
| 空载功率 | 25.5 W max |
| 空载转速 | 20600±10% rpm |
| 负载电流 | 1.37±12%A |
| 负载功率 | 145.4±12% W |
| 负载转速 | 14600±10% rpm |
| 测试负载 | size 25x66.5 的一字风叶(大约 为 /g-cm.) |
| 性能曲线 | 看马达性能曲线图 |
| 绝缘电阻 | 马达端子与外壳之间,施加DC500V电压,绝缘阻值不低于10MΩ |
| 耐压测试 | 马达端子与外壳之间施加一分钟AC1250V/5mA(50Hz或60Hz)电压 |
| 振动值 | ≤ 3.5mm/s |
| 火花等级 | ≤ 1½ |
4. 机械特性 |
|
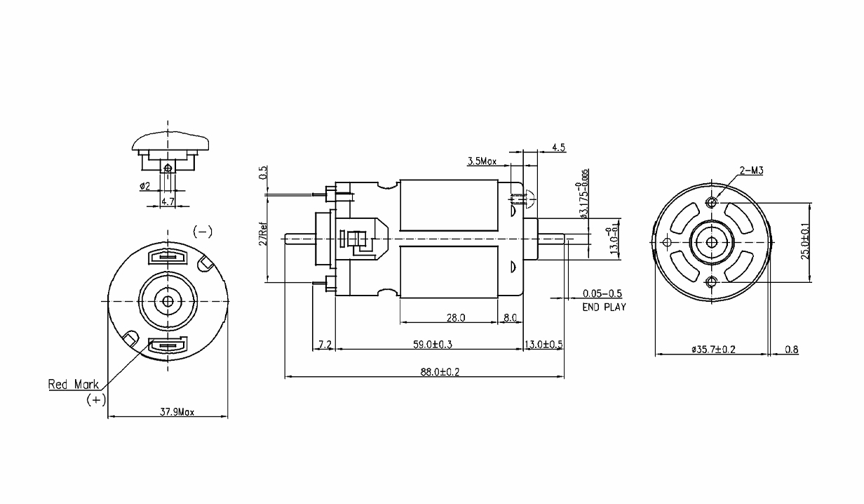
| 外形 | 看马达外形图 |
| 虚位 | 0.05~0.5 mm |
| 轴突端跳动 | 0.05mm max. 输出轴2/3处,用百分表测量 |
| 马达重量 | 208g (Approx) |
5. 寿命测试 |
|
| 工作条件 | 周期性测试(马达单机测试) |
| 测试电压 | 125.0V |
| 负载 | 145.0 W max |
| 测试周期及条件 | 60秒开, 60秒停为一个周期 |
| 要求满足的测试周期 | TBD hour min(on time).完成寿命测试后的空载/负载电流仅供参考 |
6. 工作环境测试 |
|
| 高温测试 | 马达在+90℃的环境保持100小时,然后室温下放置24小时 |
| 低温测试 | 马达在-40℃的环境保持100小时,然后室温下放置24小时 |
7. 噪音测试 |
马达放在在海棉上,拾音器距离马达输出轴30cm处,在 无载条件下接入额定电压.机械噪音不超过68dB,最大背景噪音小于30dB |
8. 其它特性 |
|
| 绝缘等级 | B级 |
| ECP Requirement | Motor conform to 2011/65/EU RoHS Directive |
产品尺寸图
相关下载
YFD5512-2327-08规格书