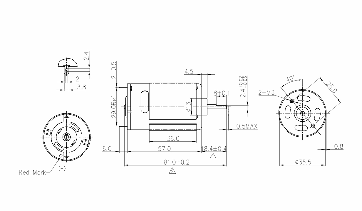
YFD5512电机(带扁位)
1. 技术要求 |
|
|
电压 |
220.Vac(全波整流) |
| 电流 | 0.059A Max |
| 功率 | 9.0±10% |
| 转速 | 9340rpm±8% |
| 负载 | (30x60风叶) |
| 电流 | 0.135±10% |
| 功率 | 24.1±10 |
| 转速 | 7940±8% |
| 耐压 | 1250VAC/0.5mA/1Sec,无击穿 |
| 轴向串动小于0.5mm | 马达转动灵活.不得有杂音异音 |
| 噪音 | 30cm处75dB以下 |
| 绝缘等级 | B |
产品尺寸图
相关下载
YFD365V-2078-51规格书