YFD555电机(铁后盖)
1. 标准测试条件 |
|
|
额定电压 |
端子电压18.0V |
| 旋转方向 | 从输出轴端视CCW |
2. 测试条件 |
|
| 马达放置状态 | 马达水平放置 |
| 测试电源 | 确保测试没问题的稳压电源 |
| 环境温度与湿度 | 一般在15℃-35℃及相对湿度75%的环境下测试 |
3. 电气特性(启动30秒后测试) |
|
| 空载电流 | 0.54A max |
| 空载转速 | 13200±10% rpm |
| 始动电压 | 2.0Vmax |
| 负载电流 | 2.5±12%A |
| 负载转速 | 12150±10% rpm |
| 测试负载 | 30x55mm的一字风叶(大约为265.0g-cm) |
| 性能曲线 | 看马达性能曲线图 |
| 绝缘电阻 | 马达端子与外壳之间,施加DC250V电压,绝缘阻值不低于10MΩ |
| 介电强度 | (马达端子与外壳之间施加一分钟AC500V/1mA(50Hz或60Hz)电压) |
| 振动值 | ≤4.9mm/s |
4. 机械特性 |
|
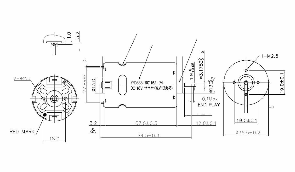
| 外形 | 看马达外形图 |
| 虚位 | 0.05~0.5 mm |
| 轴突端跳动 | 0.05mm max. 输出轴2/3处,用百分表测量 |
| 马达重量 | 190.0 g (Approx)(大约 190.0 克) |
5. 寿命测试 |
|
| 测试电压 | 18.0V (稳压直流电源) |
| 负载 Torque | 230g.cm的模拟风叶负载 |
| 测试周期及条件 | 14.5分钟开,0.5分钟停,为一个周期 |
| 要求满足的测试周期 | 950 cycle |
6. 噪音测试 |
马达放在在海棉上,拾音器距离马达输出轴30cm处,在 无载条件下接入额定电压.机械噪音不超过68dB,最大背景噪音小于30dB |
7. 其它特性 |
|
| 绝缘等级 | Class F |
| 环保要求 | 马达符合RoHS要求 |
产品尺寸图
相关下载
YFD555-R0116A-74规格书