YFD550电机(铁后盖)
1. 标准测试条件 |
|
|
额定电压 |
18.0V DC 向马达正负极端子输入的电压 |
| 旋转方向 | CW 从马达输出轴端视 |
2. 测试条件 |
|
| 马达放置状态 | 马达水平放置 |
| 测试电源 | 确保测试没问题的稳压电源 |
| 环境温度与湿度 | 一般在15℃-35℃及相对湿度75%的环境下测试 |
3. 电气特性(启动30秒后测试) |
|
| 空载电流 | 0.11A max |
| 空载转速 | 2970±10% rpm |
| 始动电压 | 2.0Vmax |
| 负载电流 | 0.17±12%A |
| 负载转速 | 2830±10% rpm |
| 测试负载 | size30x80mm的一字风叶(大约28.5 g-cm.) |
| 性能曲线 | 看马达性能曲线图 |
4. 机械特性 |
|
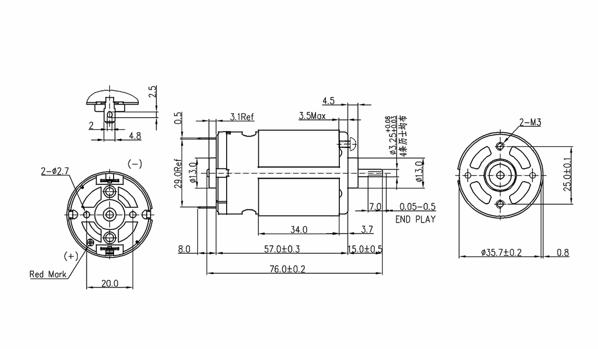
| 外形 | 看马达外形图 |
| 虚位 | 0.05~0.5 mm |
| 轴突端跳动 | 0.05mm max |
7. 其它特性 |
|
| 绝缘等级 | B级 |
产品尺寸图
相关下载
YFD550M-N07261-76规格书