YFD540电机(铁后盖)
1. 标准测试条件 |
|
|
额定电压 |
12.0V DC 向马达正负极端子输入的电压 |
| 旋转方向 | CCW 从马达输出轴端视 |
2. 测试条件 |
|
| 马达放置状态 | 马达水平放置 |
| 测试电源 | 确保测试没问题的稳压电源 |
| 环境温度与湿度 | 一般在15℃-35℃及相对湿度75%的环境下测试 |
3. 电气特性(启动30秒后测试) |
|
| 空载电流 | 1.6A max |
| 空载转速 | 23000±10% rpm |
| 始动电压 | 0.8Vmax |
| 负载电流 | 14.5±12% A |
| 负载转速 | 18400±10% rpm |
| 测试负载 | size 25x60的一字风叶(大约 708 g-cm.) |
| 性能曲线 | 看马达性能曲线图 |
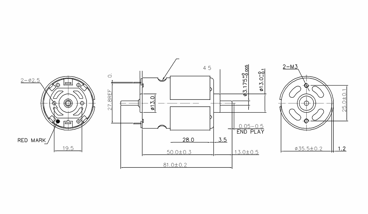
4. 机械特性 |
|
| 外形 | 看马达外形图 |
| 虚位 | 0.05~0.5 mm |
| 轴突端跳动 | 0.05mm max |
产品尺寸图
