YFD390电机(胶后盖)
1. 使用条件 |
|
|
额定电压 |
端子电压7.4V |
| 旋转方向 | 从输出端视CCW |
2. 测试条件 |
|
| 马达放置状态 | 马达水平放置 |
| 测试电源 | 确保测试没问题的稳压电源 |
| 环境温度与湿度 | 一般在15℃-35℃及相对湿度75%的环境下测试 |
3. 电气特性(启动30秒后测试) |
|
| 空载电流 | 0.65A max |
| 空载转速 | 13200±10% rpm |
| 始动电压 | 1.2Vmax |
| 负载电流 | 3.34±12%A |
| 负载转速 | 10280±10% rpm |
| 测试负载 | 20x60 mm的一字风叶(大约为 / g-cm) |
| 性能曲线 | 看马达性能曲线图 |
4. 机械特性 |
|
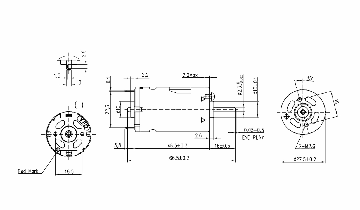
| 外形 | 看马达外形图 |
| 虚位 | 0.05~0.5 mm |
| 轴突端跳动 | 0.05mm max |
产品尺寸图
相关下载
YFD390-4244-63规格书